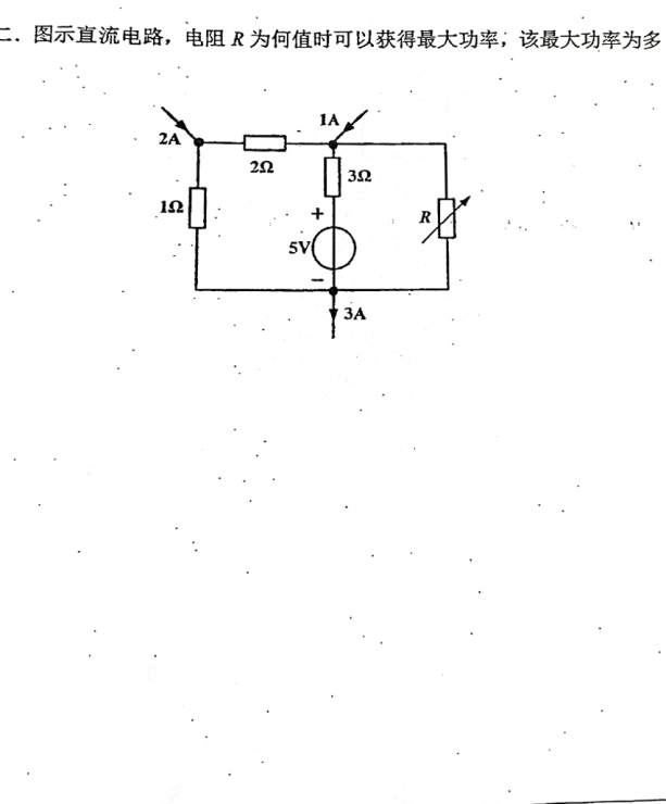
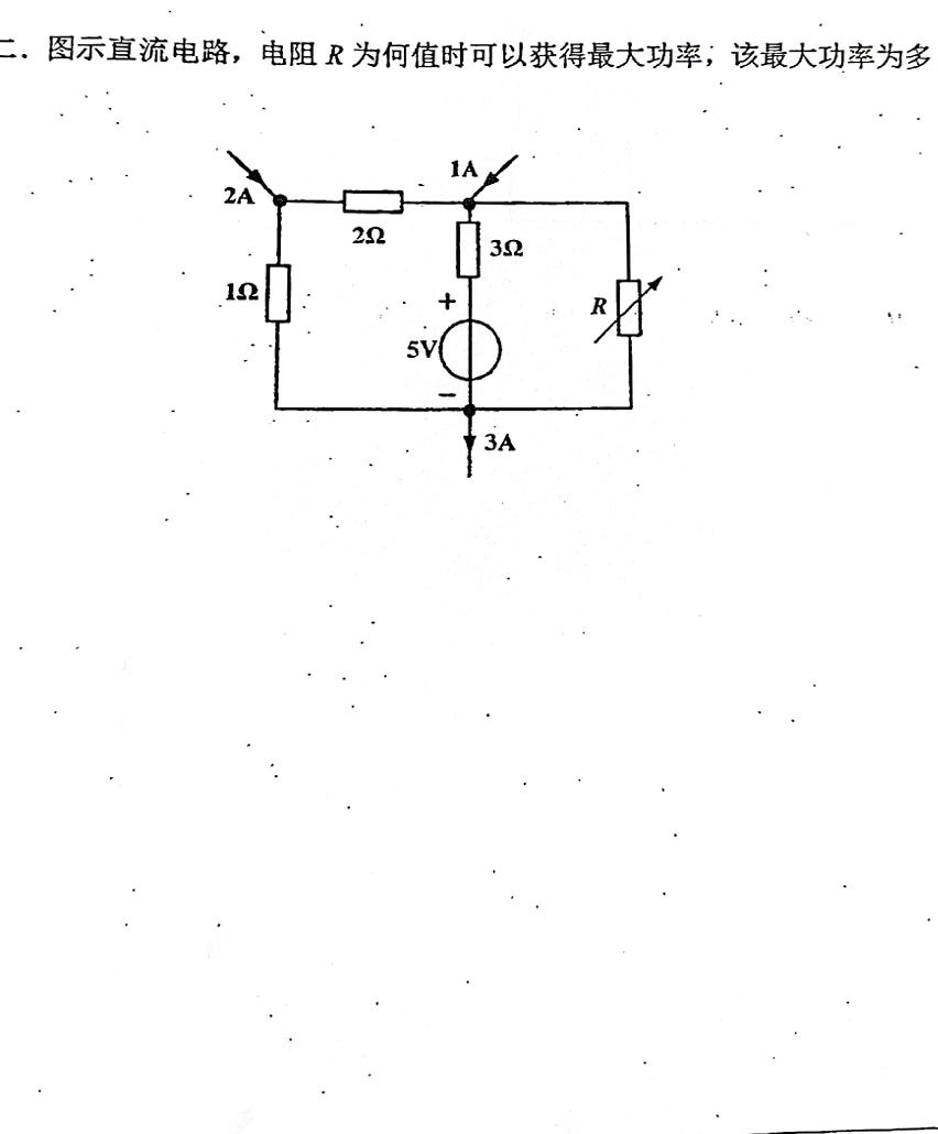
马睿泽 2025年3月11日 字数:33,阅读约1分钟 全屏显示 电工14·15 电工 858 0 0 一言准备中... 管理员已设置登录后刷新可查看 本章为电工14·15康三习题(无答案) 期末复习 期末试题 电工 本文作者:马睿泽本文链接: https://admin.pkxdt.cn/?post=868 版权声明:本博客所有文章除特别声明外,均默认采用 CC BY-NC-SA 4.0 许可协议。 00电工14·15海报分享QQ分享QQ空间微博分享复制链接 支付宝扫一扫 微信扫一扫 感谢支持 文章很赞!支持一下吧
这一切,似未曾拥有